欢迎光临东辉智能仪表南京昌晖代理网站!主营产品:智能仪表、现场仪表等
免责申明
|
网站地图
服务咨询热线
025-57155258
网站首页
关于我们
企业新闻
技术支持
公司动态
行业资讯
产品展示
DY2000系列智能仪表
DY2000显示\位控\变送仪表
DY2000PID调节器
DY2000流量积算仪表
DY2000电量仪表\DYA电量模块
DY2000无纸记录仪
DY2000多路巡检仪表
大屏幕仪表\其它智能仪表
DY5000智能仪表(新)
DY控制系统模块化仪表
DYC/DYR系列信号隔离器/安全栅
DYH IO模块\组态软件
现场压力/流量/物位仪表
压力/差压变送器
流量计/物位计
DY5000系列新品
XMA/XMB/XMZ5000智能显示控制仪
DYJ700系列多功能过程校验仪
DYT3热电偶/热电阻温度传感器
资料下载
驱动下载
文件下载
组态软件、通讯软件、其它
工程案例
联系我们
热门关键词:
DY2000
产品展示
DY2000系列智能仪表
└ DY2000显示\位控\变送仪表
└ DY2000PID调节器
└ DY2000流量积算仪表
└ DY2000电量仪表\DYA电量模块
└ DY2000无纸记录仪
└ DY2000多路巡检仪表
└ 大屏幕仪表\其它智能仪表
└ DY5000智能仪表(新)
DY控制系统模块化仪表
现场压力/流量/物位仪表
DY5000系列新品
XMA/XMB/XMZ5000智能显示控制仪
DYJ700系列多功能过程校验仪
DYT3热电偶/热电阻温度传感器
联系我们
全国咨询热线:
025-57155258
地 址:江苏省南京市六合区雄州南路399号恒利园区
电 话:025-57155258
传 真:025-57155258
邮 箱:njchyb@189.cn
邮政编码:211500
当前位置 :
DY2000东辉仪表-福建东辉智能仪器有限公司代理【官网】
>>
产品展示
>>
DY2000系列智能仪表
>>
DY2000流量积算仪表
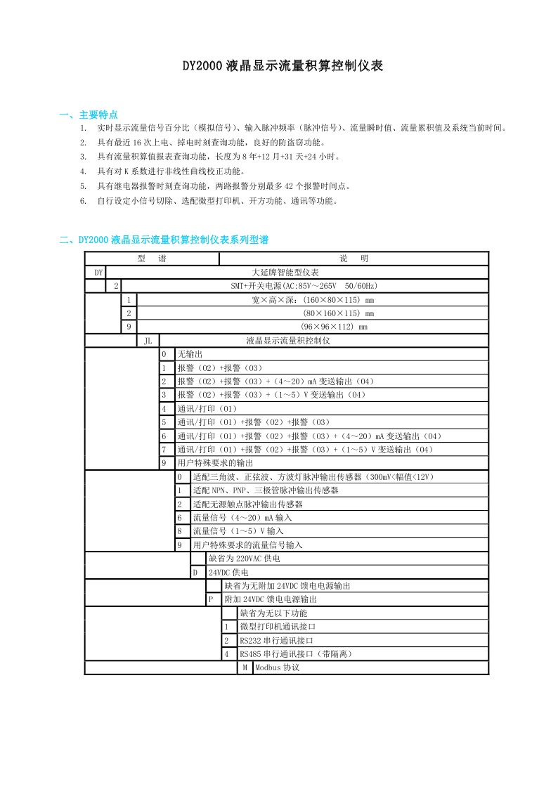
DY2000流量积算仪表
DY2000lljsyb
商品名称:
DY2000(JL)液晶显示流量积算控制仪表
添加时间:
2018-12-21 09:05:01
推荐度:
介绍:
说明书下载
附件:
打印本文
关闭本页
上一篇:
DY2000(W)热水热量积算数字显示仪表
下一篇:
DY2000(LL)液晶显示补偿式流量积算控制仪表
南京昌晖自动化仪表有限公司版权所有 Copyright ©:
DY2000东辉仪表-福建东辉智能仪器有限公司代理【官网】
苏ICP备11070889号-6
苏公网安备32011602010642号
主营区域:
广东
,
河南
,
河北
,
湖南
,
湖北
,
江苏
,
山东
,
上海
,
四川
,
吉林
,
辽宁
,
山西
,
福建
,
更多